GDQ-J-A系列
常閉型氣動高真空擋板閥是通過電磁轉向閥依靠壓縮空氣作為閥板啟閉動力,在失去電源或壓縮空氣時,通徑DN80以下的閥門將依靠彈簧力自動關閉閥門,DN100以上的閥門通過電磁閥組利用單向閥迅速關閉氣缸原有的氣源壓力達到自動關閉閥門。從而達到真空系統中迅速切斷氣流之功能。GDQ-J型為角通型式,GDQ-S型為帶預抽口的三通型式。
適用的工作介質為空氣及非腐蝕性氣體。
主要技術性能:
適用范圍(Pa) | 105~1.3x10-4 |
閥門漏率(Pa.L/S) | ≤1.3x10-5 |
介質溫度(℃) | -25~+80(密封材料為丁腈橡膠) -30~+150(密封材料為氟橡膠) |
氣源壓力(MPa) | 0.4~0.8 |
安裝位置 | DN<300任意,DN≥300垂直 |
電源電壓 | 標準出廠:AC220V/50Hz 特殊指定:AC110V;DC24V;DC12V等 |
信號反饋 | 標準出廠:不帶反饋信號 特殊指定:磁性開關DC/AC5~240V |
連接及外形尺寸:
型號 | 通徑(DN) | ΦD | ΦB | A | 法蘭標準 |
GDQ-J10A/KF | 10 | 30 | 12.2 | 30 | GB4982 |
GDQ-J16A/KF | 16 | 30 | 17.2 | 40 | GB4982 |
GDQ-J25A/KF | 25 | 40 | 26.2 | 50 | GB4982 |
GDQ-J40A/KF | 40 | 55 | 41.2 | 65 | GB4982 |
GDQ-J50A/KF | 50 | 75 | 52.2 | 70 | / |
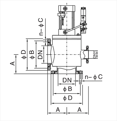
活套法蘭連接及外形尺寸:
型號 | 通徑(DN) | ΦD | ΦB | A | n-ΦC | DNy(預抽口) | 法蘭標準 |
GDQ-J50A | 50 | 110 | 90 | 70 | 4-Φ9 | / | GB/T6070 |
GDQ-J63A | 63 | 130 | 110 | 88 | 4-Φ9 | / | GB/T6070 |
GDQ-J80A | 80 | 145 | 125 | 88 | 8-Φ9 | / | GB/T6070 |
GDQ-J100A | 100 | 165 | 145 | 108 | 8-Φ9 | / | GB/T6070 |
GDQ-J125A | 125 | 200 | 175 | 128 | 8-Φ11 | / | GB/T6070 |
GDQ-J(S)150A | 150 | 220 | 195 | 138 | 8-Φ11 | DN40(GB4982) | JB919 |
GDQ-J(S)160A | 160 | 225 | 200 | 138 | 8-Φ11 | DN40(GB4982) | GB/T6070 |
GDQ-J(S)200A | 200 | 285 | 260 | 200 | 12-Φ11 | DN50(GB/T6070) | GB/T6070 |
GDQ-J(S)250A | 250 | 335 | 310 | 208 | 12-Φ11 | DN50(GB/T6070) | GB/T6070 |
GDQ-J(S)300A | 300 | 380 | 350 | 250 | 8-Φ14 | DN80(GB/T6070) | JB919 |
GDQ-J(S)320A | 320 | 425 | 395 | 250 | 12-Φ14 | DN80(GB/T6070) | GB/T6070 |
GDQ-J(S)400A | 400 | 510 | 480 | 330 | 16-Φ14 | DN100(GB/T6070) | GB/T6070 |
①GDQ-J(S)400A | 400 | 500 | 465 | 330 | 16-Φ14 | DN100(GB/T6070) | JB919 |
GDQ-J(S)500A | 500 | 610 | 580 | 360 | 16-Φ14 | DN125(GB/T6070) | GB/T6070 |
GDQ-J(S)600A | 600 | 710 | 670 | 450 | 12-Φ21 | DN160(GB/T6070) | JB919 |
GDQ-J(S)630A | 630 | 750 | 720 | 450 | 20-Φ14 | DN160(GB/T6070) | GB/T6070 |
GDQ-J(S)800A | 800 | 920 | 890 | 520 | 24-Φ14 | DN200(GB/T6070) | GB/T6070 |
注:采用JB919法蘭連接標準,其側口同樣為GB/T6070標準