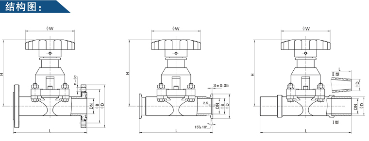
高真空隔膜閥--產品介紹:
GM型系列高真空隔膜閥是利用閥桿將橡膠膜直接壓在閥座上,用來截止或接通真空系統。具有關閉力矩小,壽命長等優點。連接形式有活套法蘭連接,快卸法蘭連接,焊接式連接(即兩端焊接),一焊一插管連接(即一端焊接,另一端插入)。適用的工作介質為空氣、水、酸、堿。
高真空隔膜閥--主要技術性能:
適用范圍(Pa) | 105~1.3x10-4 |
閥門漏率(Pa.L/S) | ≤1.3x10-4 |
介質溫度(℃) | -25~+80(密封材料為丁腈橡膠) -30~+150(密封材料為氟橡膠) |
安裝位置 | 任意 |

活套法蘭連接及外形尺寸:
型號 | 通徑(DN) | ΦD | ΦB | ΦW | H | L | n-ΦC | 法蘭標準 |
GM-10 | 10 | 46 | 36 | 55 | 75 | 75 | 4-Φ6 | JB919 |
GM-25 | 25 | 70 | 55 | 90 | 115 | 120 | 4-Φ7 | GB/T6070 |
GM-40 | 40 | 100 | 80 | 100 | 132 | 150 | 4-Φ9 |
GM-50 | 50 | 110 | 90 | 100 | 157 | 180 | 4-Φ9 |
快卸法蘭(KF)連接及外形尺寸:
型號 | 通徑(DN) | ΦD | ΦB | ΦW | H | L | 法蘭標準 |
GM-10/KF | 10 | 30 | 12.2 | 55 | 75 | 75 | GB4892 |
GM-25/KF | 25 | 40 | 26.2 | 90 | 115 | 100 |
GM-40/KF | 40 | 55 | 41.2 | 100 | 132 | 150 |
GM-50/KF | 50 | 75 | 52.2 | 100 | 157 | 180 | / |
焊接式連接及外形尺寸:
型號 | 通徑(DN) | ΦD | ΦW | H | L |
GM-10-H(Ⅰ) | 10 | 19 | 55 | 75 | 150 |
GM-25H(Ⅰ) | 25 | 32 | 90 | 115 | 200 |
GM-40H(Ⅰ) | 40 | 45 | 100 | 132 | 240 |
GM-50H(Ⅰ) | 50 | 57 | 100 | 157 | 240 |
GM-10H(Ⅱ) | 10 | 9 | 55 | 75 | 150 |
GM-25H(Ⅱ) | 25 | 19 | 90 | 115 | 200 |
注:Ⅰ型為兩端焊接;Ⅱ型為一端焊接,另一端插入
上兆閥門其他產品:
閘 閥 截止閥 球 閥 蝶 閥 緊急切斷閥 電磁閥 水力控制閥 止回閥 刀型閘閥 旋塞閥 過濾器 減壓閥 疏水閥 隔膜閥 調節閥 阻火器 呼吸閥 燃氣閥門 冶金閥門