不銹鋼星型給料機詳細資料:
一、不銹鋼星型給料機應用范圍及工作原理:
不銹鋼星型給料機又名不銹鋼星型卸灰閥,分GLF-P不銹鋼星型給料機和GLY-C不銹鋼星型給料機,廣泛應用于建材、冶金、化工、電力等部門作為各類除塵設備的灰斗卸料裝置,也可作為各種磨機、烘干機、料倉等設備的給卸料裝置,適用于干燥粉狀和小顆狀物料,星型卸灰閥依靠物料的重力作用及給料機工作機構的強制作用,將倉內的物料卸出并連續均勻地喂入下一裝置中去。
二、不銹鋼星型給料機產品特點:
星型卸灰閥主要由殼體、葉輪和端蓋組成。采用優質鋼板焊接結構,葉片耐磨性強,集傳動裝置、傳動軸、葉片聯為一體。具有工作平穩可靠,落料均勻 ,輕便節能的特點。由于星型卸灰閥的軸承和減速機都是向外凸出,能夠避免粉塵擠進軸承和大顆粒物料卡死現象。
工作時由減速電機通過聯軸帶動葉輪轉動,把殼體上部的物料均勻帶到下部,由下一個裝置把物料送走。所以,星型卸灰閥只能直立安裝,而不允許水平安裝,給料機的上部要保持一定的料柱。
三、不銹鋼星型給料主要技術參數表:
| 適用介質 | 工作溫度 | 卸灰能力 |
| 干燥粉塵 | 150℃ | 4.5-160m3/h |
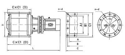
四、不銹鋼星型給料機主要外形連接尺寸: 單位:mm

| A1×A | B1×B | C1×C | DN | D | D1 | H | L | n-d | 傳動功率型號 | 功率KW | 卸灰能力 m3/h | 重量kg |
| 150×150 | 200×200 | 230×230 | 150 | 230 | 200 | 250 | 870 | 8-Φ13 | BLY-15-43 | 0.75 | 5 | 121 |
| 200×200 | 260×260 | 300×300 | 200 | 300 | 260 | 300 | 910 | 8-Φ17 | BLY-15-43 | 12 | 178 |
| 300×200 | 360×260 | 400×300 | | | | 300 | 910 | 8-Φ17 | BLY-15-43 | 18 | 214 |
| 250×250 | 310×310 | 350×350 | 250 | 350 | 310 | 350 | 910 | 8-Φ17 | BLY-15-43 | 24 | 258 |
| 300×300 | 360×360 | 400×400 | 300 | 400 | 360 | 450 | 1140 | 8-Φ17 | BLY-18-59 | 1.5 | 30 | 308 |
| 400×300 | 460×360 | 500×400 | | | | 450 | 1140 | 10-Φ17 | BLY-18-59 | 40 | 335 |
| 500×300 | 460×360 | 600×400 | | | | 450 | 1140 | 12-Φ17 | BLY-18-59 | 50 | 65 |
| 400×400 | 560×360 | 500×500 | 400 | 500 | 460 | 600 | 1220 | 12-Φ20 | BLY-22-71 | 3 | 60 | 398 |
| 500×400 | 460×460 | 600×500 | | | | 600 | 1220 | 14-Φ26 | BLY-22-71 | 75 | 428 |
| 500×500 | 570×570 | 630×630 | 500 | 630 | 570 | 760 | 1400 | 16-Φ26 | BLY-22-71 | 118 | 524 |
| 700×500 | 770×570 | 830×630 | | | | 760 | 1400 | 18-Φ26 | BLY-22-71 | 160 | 654 |
上兆閥門其他產品:
閘 閥 截止閥 球 閥 蝶 閥 緊急切斷閥 電磁閥 水力控制閥 止回閥 刀型閘閥 旋塞閥 過濾器 減壓閥 疏水閥 隔膜閥 調節閥 阻火器 呼吸閥 燃氣閥門 冶金閥門