鑄鐵鑲銅圓閘門詳細資料: 一、 產品用途:
鑄鐵鑲銅圓閘門主要用于給排水、防汛、灌溉、水利、水電工程中,用來截止、疏通水流或起調節水位的作用。本系列閘門可分為ZMF方形、ZMY圓形、和ZML法蘭圓閘門三類,根據建設部通用標準和美國AWWA標準設計生產。它采用獨特的外弧形設計,結構合理、受力均勻,采用優質灰口鑄鐵或球墨鑄鐵、不銹鋼制造,止水密封面鑲銅條或橡膠,并經精密加工后配研,達到平面接觸密封,密封性能好,當密封止水性能下降時,可通過楔塊裝置的調整加以解決。
二、產品結構特點和工作原理:
1.鑄鐵鑲銅閘門由門框、閘板、導軌、密封條、傳動螺桿、吊塊螺母/吊耳和可調整密封機構等部件組成,其中門框和閘板均由優質灰口鑄鐵或球墨鑄鐵制成,導軌左右對稱布置且用不銹鋼螺栓定位銷與門框二側端部連接 (對中小口徑的閘門,其導軌可與門框澆注成一體),導軌長度一般為閘門全開啟高度的1/2~1/3,因而整體結構強度高、剛性高、耐磨、耐腐蝕性好、承壓能力大。
2.通過楔塊裝置的楔緊達到密封,密封材料為銅合金或橡膠,并經精密加工后配研,故密封性好。
3.采用預埋鋼板或預埋螺栓式安裝,安裝、調試、使用、維護方便,使用壽命長。
4.品種規格齊全,適應性廣。
5.與啟閉機配套使用,閘門為工作部分,啟閉機為閘門開啟與關閉的執行部分,啟閉機由人力、電機或氣動、液壓機構帶動傳動裝置的齒輪、蝸輪蝸桿等運轉,驅動傳動螺母或螺桿轉動使閘軸作垂直升降運動,從而開啟或關閉閘門,達到 水、關水或調節水位的目的。
三、主要技術性能參數:
1.型號與規格:
圓形閘門:明桿式 ZMY DN300~DN1500mm
2.鑄鐵鑲銅閘門主要性能指標:
a)閘門密封面配合間隙≤0.1㎜,密封座厚度大于10㎜。
b)密封面每米長度滲水量:正向≤0.7L/min ·m 反向≤1.25L/min ·m
c)公稱壓力≤0.1Mpa;密封試驗壓力0.1Mpa。
d)工作環境:溫度-20℃~120℃ 濕度:95% 工作介質:水與污水PH值:5~10
e)安裝位置:正常狀態下正向迎水、處于鉛垂狀態。
f)最大工作水頭:單向受壓:正向:10m 反向:5m 雙向受壓:均為10m
g)啟閉速度:不小于0.2m/min,不大于1.5m/min。
h)閘框距邊壁距離≥300㎜,距池底距離≥150㎜~250㎜。
四、主要零部件材質及執行標準:
零部件名稱 | 材質 | 材質標準 |
閘板 | 灰鑄鐵、球鐵、不銹鋼 | GB9439-88/GB1348-88 或GB12226-89/GB12227-89 GB1220-84 |
門框 | 灰鑄鐵、球鐵、不銹鋼 |
導軌 | 灰鑄鐵、球鐵、不銹鋼 |
密封面 | 錫青銅 丁腈橡膠 | GB1176-87 或GB12225-89 |
楔塊 | 錫青銅、丁腈橡膠 |
傳動螺桿 | 不銹鋼 | GB1220-84 |
吊塊螺母 | 鋁鐵青銅ZCuA110Fe3 | GB1176-87 |
緊固件 | 0Cr17Ni12Mo2、0Cr18Ni9Ti | GB1220-84 |
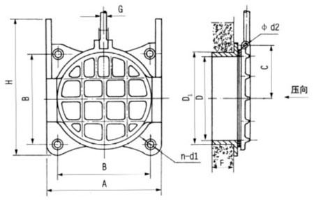
五、主要外形連接尺寸: 單位:mm


型號 | 通徑DN | A | A1 | B | B1 | C | D1 | E | H | b | φd | 4-φd1 |
ZMY-300 | 300 | 407 | 300 | 150 | 75 | 200 | 320 | 44 | 562 | 20 | 16 | 4-φ22 |
ZMY-400 | 400 | 524 | 400 | 206 | 122 | 256 | 420 | 51 | 750 | 25 | 20 | 4-φ25 |
ZMY-500 | 500 | 644 | 500 | 236 | 135 | 312 | 520 | 60 | 870 | 25 | 20 | 4-φ25 |
ZMY-600 | 600 | 764 | 600 | 255 | 152 | 368 | 620 | 60 | 983 | 25 | 20 | 4-φ26 |
ZMY-700 | 700 | 884 | 700 | 280 | 158 | 430 | 724 | 74 | 1262 | 30 | 25 | 4-φ28 |
ZMY-800 | 800 | 984 | 800 | 280 | 158 | 478 | 824 | 74 | 1392 | 30 | 25 | 4-φ28 |
ZMY-900 | 900 | 1105 | 900 | 340 | 170 | 525 | 928 | 105 | 1750 | 30 | 25 | 4-φ32 |
ZMY-1000 | 1000 | 1205 | 1000 | 370 | 190 | 590 | 1030 | 110 | 1828 | 35 | 30 | 4-φ32 |
ZMY-1200 | 1200 | 1425 | 1200 | 405 | 220 | 695 | 1232 | 115 | 2182 | 35 | 30 | 4-φ32 |
ZMY-1500 | 1500 | 1766 | 1500 | 425 | 225 | 840 | 1536 | 115 | 2933 | 80 | 30 | 4-φ32 |
上兆閥門其他產品:
閘 閥 截止閥 球 閥 蝶 閥 緊急切斷閥 電磁閥 水力控制閥 止回閥 刀型閘閥 旋塞閥 過濾器 減壓閥 疏水閥 隔膜閥 調節閥 阻火器 呼吸閥 燃氣閥門 冶金閥門