Z673X型氣動漿液閥適用于糖漿、紙漿、泥漿、污水、煤漿等介質管路上,適用溫度:-10~80℃作啟閉調節和節流使用,適用于水平安裝,亦可傾斜安裝。
二、Z673X氣動漿液閥--特點
1、結構簡單:輕便、密封性能好。
2、操作方式:手輪、電動、電液動、氣動。
三、Z673X氣動漿液閥--主要性能規范
| 公稱壓力(MPa) | 0.6 | 1.0 |
試驗壓力(MPa) | 殼體 | 0.9 | 1.5 |
密封 | 0.66 | 1.1 |
| 使用介質 | 煤漿、糧漿、紙漿、泥漿、活 水砂漿、礦渣、堿液 |
| 工作溫度 | ≤100℃ |
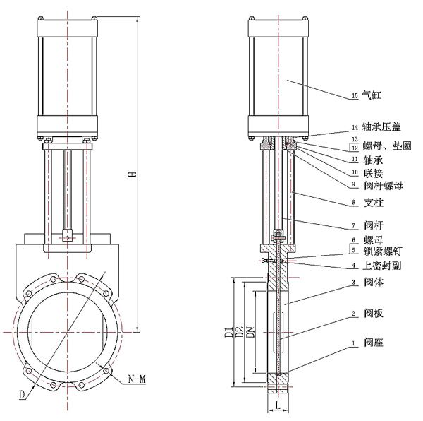
四、Z673X氣動漿液閥--主要零部件材質
| 體、蓋 | 不銹鋼、碳鋼、灰鑄鐵 |
| 閘板 | 碳鋼、不銹鋼 |
| 閥桿 | 不銹鋼 |
| 密封面 | 橡膠、四氟、不銹鋼、硬質合金 |
五、Z673X氣動漿液閥--主要外形及連接尺寸
| MPa | DN | L | D | D1 | B | H | n-M | 2 |
| PN0.6 | PN1.0 |
| 1.0 | 50 | 40 | 40 | 125 | 100 | 115 | 335 | 4-M16 | 45° |
| 65 | 40 | 40 | 145 | 120 | 115 | 363 | 4-M16 | 45° |
| 80 | 50 | 50 | 160 | 135 | 150 | 395 | 4-M16 | 22.5° |
| 100 | 50 | 50 | 180 | 155 | 150 | 465 | 4-M16 | 22.5° |
| 125 | 50 | 50 | 210 | 185 | 190 | 530 | 4-M16 | 22.5° |
| 150 | 60 | 60 | 240 | 210 | 190 | 630 | 4-M20 | 22.5° |
| 200 | 60 | 60 | 295 | 265 | 230 | 750 | 4-M20 | 22.5° |
| 250 | 70 | 70 | 350 | 318 | 280 | 900 | 8-M20 | 15° |
| 300 | 70 | 80 | 400 | 368 | 350 | 1120 | 8-M20 | 15° |
| 350 | 80 | 90 | 460 | 430 | 350 | 1260 | 10-M20 | 11.25° |
| 400 | 90 | 120 | 515 | 482 | 350 | 1450 | 10-M24 | 11.25° |
| 450 | 90 | 120 | 565 | 532 | 350 | 1600 | 14-M24 | 9° |
| 500 | 100 | 130 | 620 | 585 | 350 | 1800 | 14-M24 | 9° |
| 600 | 100 | 140 | 725 | 685 | 430 | 2300 | 14-M27 | 9° |
