

|
|||||||||||||||||||||||||||||||||||||||||||||||||||||||||||||||||||||||||||||||||||||||||||||||||||||||||||||||||||||||||||||||||||||||||||||||||||||||||||||
|
產品介紹 一、ZZVP自力式微壓調節閥概述 ZZVP 自力式微壓調節閥是一種無需外來能源的節能型產品,利用工藝管道中介質的壓力變化與信號進行比較,使被調節介質的力與執行機構的輸出力平衡,以達到穩定壓力、差壓值。 ZZCP-1型差壓閥,采用平衡型單座閥,壓力穩定、精度高、密封性好,用于控制微小差壓。ZZCN-10型差壓閥采用雙座閥,流量系數大,將閥芯正、倒裝,可組成二個不同品種的產品。該產品適用于各種工業爐燃燒系統控制兩種燃料氣體混合比流量或用于氫冷發電機組密封油系統中,同時,還可用于各種工業氣體的減壓、穩壓或泄壓的自動控制。 ZZVP自力式微壓調節閥,采用平衡單座閥,在運行中可任意對設定值進行調整等特點。因而適用于各種工業爐燃燒統燃料氣體、石油在制品或油庫貯罐保護氣體與熱處理保護氣體的微壓自動調節等場合。 二、ZZVP自力式微壓調節閥結構與原理 控制壓力小于或等于100Kpa的調節閥稱為自力式微壓力調節閥(P3通大氣), 差壓調節閥是微壓調節閥的另一種控制方式。由執行機構、調節機構、導壓管等組成。差壓調節閥工作原理:見原理圖1 原理圖1,作用方式為壓開式,即差壓增大閥開啟(ZZCP-16K)型。流體P1節流后成P2,經導壓管與差壓調節閥執行機構上模室聯通,P2作用在波紋模片有效面積上產生一個向下的作用力,加上彈簧的初始壓力(向下)作用力; 訊號源壓力P3(恒定值)引入執行機構下模室,作用在波紋模片有效面積上產生一個向上的作用力。與上模室P2和彈簧的合力(向下)的作用力平衡。P3與P2之間有一個差壓值,這個差壓值就是設定值。若差壓變化,增大或減小,則平衡被破壞,閥門開大或關小,保住差壓值恒定。若差壓達不到設定值:如,小于設定值,調整方法如下:打開防塵蓋1;反時針旋轉調節螺釘2,減小彈簧的預壓力,使設定值達到理想要求。反之,則調節螺釘的旋轉方向相反。 三、ZZVP自力式微壓調節閥 主零件材料
四、ZZVP自力式微壓調節閥主要技術參數與性能指標 表1 Kv值和性能指標
表2 微、差壓調節范圍
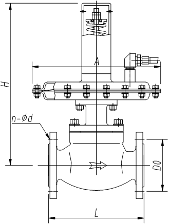
表3外形尺寸及重量 位:mm
| |||||||||||||||||||||||||||||||||||||||||||||||||||||||||||||||||||||||||||||||||||||||||||||||||||||||||||||||||||||||||||||||||||||||||||||||||||||||||||||
相關產品 |
|||||||||||||||||||||||||||||||||||||||||||||||||||||||||||||||||||||||||||||||||||||||||||||||||||||||||||||||||||||||||||||||||||||||||||||||||||||||||||||