

|
|||||||||||||||||||||||||||||||||||||||||||||||||||||||||||||||||||||||||||||||||||||||||||||||||||||||||
|
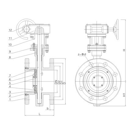
產品介紹 耐磨陶瓷法蘭蝶閥--產品概述: D343TC 耐磨陶瓷法蘭蝶閥蝶板密封圈與閥座密封圈采用高性能增韌結構陶瓷材料,耐磨損耐腐蝕,閥體采用整體法蘭式結構,結構緊湊,體積小,重量輕,操作靈活,啟閉力矩小,廣泛應用于各種高磨損場合。 耐磨陶瓷法蘭蝶閥--產品詳情 性能特點: 1. 法蘭式陶瓷蝶閥蝶板密封圈與閥座密封圈采用高性能增韌結構陶瓷材料,耐磨損耐腐蝕,閥體采用整體法蘭式結構,結構緊湊,體積小,重量輕,操作靈活,啟閉力矩小,廣泛應用于各種高磨損場合。 2. 密封副間三偏心錐角結構使蝶閥開啟瞬間兩密封面馬上相互脫離,確保密封副間相互無摩擦。 3. 密封副間三偏心結構關閉時具有越關越緊的功能,密封更加可靠,達到不泄漏,并且具有雙向密封功能。 4. 耐高溫、高壓、耐腐蝕、使用壽命長,享有“與管道同壽命”之美譽。 5. 具有密封調節性能,密封性能下降時,可調節密封圈向閥座靠近,即可恢復密封性能。 6. 工況需要時,通過調節蝶閥的啟閉角度,進而起到調節流量的作用。 耐磨陶瓷法蘭蝶閥--主要零部件材料: 主體:碳鋼(WCB)、不銹鋼(CF8、CF8M、CF3、CF3M)等 蝶板:不銹鋼+增韌結構陶瓷 閥座:增韌結構陶瓷 閥桿:不銹鋼 填料:橡膠/聚四乙烯/編織石墨 公稱通徑:DN50-DN500(2"-20") 公稱壓力:PN6-PN25 適用溫度:-29~+425℃ 操作方式:手輪,傘齒輪、氣動、電動、液動、電液(可選) 適用介質:紙漿、污水、煤漿、礦渣等磨損性介質 D343TC 耐磨陶瓷法蘭蝶閥--技術規范:
D343TC 耐磨陶瓷法蘭蝶閥--主要連接尺寸: ![]()
| |||||||||||||||||||||||||||||||||||||||||||||||||||||||||||||||||||||||||||||||||||||||||||||||||||||||||
相關產品 |
|||||||||||||||||||||||||||||||||||||||||||||||||||||||||||||||||||||||||||||||||||||||||||||||||||||||||