

|
|||||||||||||||||||||||||||||||||||||||||||||||||||
|
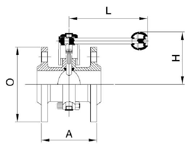
產品介紹 一、D41X衛生級法蘭蝶閥--產品特點: D41X 衛生級法蘭蝶閥結構簡單、體積小、重量輕、材料耗用省,安裝尺寸小、而且驅動力矩小,操作簡便、迅速,并且還可同時具有良好的流量調節功能和關閉密封特性。 1、設計新穎、合理、結構獨特,重量輕,啟閉迅速。 2、操力矩小,操作方便,省力靈巧。 3、可以任何位置安裝,維修方便。 4、密封材料耐老化、耐腐蝕,使用壽命長等特點。 二、D41X衛生級法蘭蝶閥--工作原理: 衛生級法蘭蝶閥專用于乳制品、食品、制藥、啤酒、化妝品等工業領域。所有與介質接觸部份均為鏡面拋光。密封圈Ф25-Ф108使用范圍為兩種:三元乙丙(EPDM)、硅膠(SI ),Ф57以下為三元乙丙(EPDM) ;啟閉件往復回轉90°左右來開啟、關閉和調節流體通道的一種不銹鋼蝶閥。 在完全開啟時,衛生級法蘭蝶閥具有較小的流阻,當開啟在大約°至70°之間時,又能進行靈敏的流量控制,因而在大口徑的調節領域,閥板的運動帶有擦拭性,因而可用于帶懸浮固定顆粒的介質,依據密封件的強度也可用于粉狀和顆粒狀介質。 三、衛生級法蘭蝶閥用途: D41X衛生級法蘭蝶閥采用標準電子拋光,光滑表面確保清潔,無介質積存區域,不會產生潛在的污染。快速拆裝閥,使閥門打開和維修快捷容易,使過程停機時間縮短。具有結構緊湊、裝拆方便等優點。衛生級法蘭蝶閥應用于如食品、制藥、化妝品、潔凈蒸汽、酒類、飲料、生化工業過程控制場合。 四、D41X衛生級法蘭蝶閥密封性能: 衛生級法蘭蝶閥屬中線不銹鋼軟密封蝶閥,其密封原理為,閥板加工時保證其密封面具有合適的表面粗造度值,合成橡膠閥座在模壓成型時形成密封面合適的表面粗糙值。不銹鋼蝶閥關閉時,衛生級法蘭蝶閥通過閥板的轉動,閥板的外圓密封面擠壓合成橡膠閥座,使合成橡膠閥座產生彈性變形彈性力作為密封比壓保證閥門的密封. 五、D41X衛生級法蘭蝶閥設計和特點: 簡潔有活力的設計 尺寸DN25/1"到DN250/10"多定位手柄尺寸到DN100/4"拉桿手柄尺寸到DN250/10* 手動手柄和氣動或電動執行器可互換低壓消耗 任何連接方式的閥體都可以進行更換 材質 蝶板: AISI 316L/304 (鍛造) 閥體: AISI 316L/304 (鍛造) 墊圈和密封圈: EPDM 根據 FDA 177.2600 手柄: AISI 304/PP 表面處理: Ra=0.8 六、D41X衛生級法蘭蝶閥--主要外形和連接尺寸: ![]()
| |||||||||||||||||||||||||||||||||||||||||||||||||||
相關產品 |
|||||||||||||||||||||||||||||||||||||||||||||||||||