銷售熱線:021-66105556
您現在的位置:網站首頁 -> 技術文章 ->
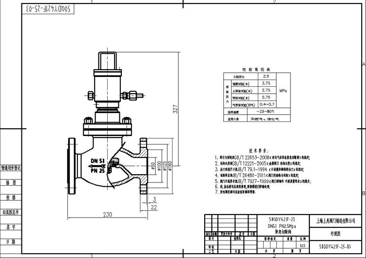
液動緊急切斷閥工作原理及結構圖紙   發布時間:18-10-08


液動緊急切斷閥工作原理:

1、閥門在無外壓力操作情況下,閥瓣處于常閉狀態,在貯罐系統上使用時,緊急切斷閥與油泵或貯氣瓶配套使用,靠手搖油或氨氣的壓力將閥門打開,在油路或者氣的壓力使用下閥門處于開啟狀態,當需要關閉閥門或遇到有緊急情況時,可將油壓或者氨氣壓力泄掉,閥門即自動關閉。
2、閥瓣關閉時,壓力是依靠打開泄壓閥或操作手輪或者管路上的易熔塞在溫度升高時自行熔化來實現。
3、閥門工作介質的流動方向應是高進低出,與普通截止閥流向正好下反。
4、閥門法蘭的連接尺寸按JB/T79.1-94《凸面整體鑄鋼法蘭》或HG20592-97尺寸標準。

液動緊急切斷閥--基本介紹:

產品名稱:QDY421F-25 液動緊急切斷閥,液動切斷閥結合了截止閥,止回閥和液動閥門的優點,采用截止閥的升降結構和止回閥防止介質倒流的原理。切斷閥具有極佳的技術性能,低負荷損失和高可靠性,與遠距離手搖油泵配套使用,利用手動液壓控制閥門開啟-關閉。
切斷閥安裝在液氨,燃氣儲罐站或者氣體管道上,以便在管道或儲罐上發生泄漏甚至起火時,工作人員能通過遠距離油泵卸壓,或80℃高溫使(易熔合金)熔化,閥門油缸自動卸壓,閥門迅速關閉而止漏。起到保護人身安全作用,切斷閥是目前化工危險品截流比較理想選擇的產品。

液動緊急切斷閥型號:QDY421F

液動緊急切斷閥圖紙:




· 切斷閥保養工作有哪些? 23-09-19
· Q71F-300lbp-80_超薄型高壓不銹鋼球閥 25-09-15
· 液動緊急切斷閥工作原理及介紹 19-06-03
· 閥門安裝前要掌握的技術知識 19-12-18
· 閥門使用中常見問題總結 20-07-16
· 三偏心蝶閥結構參數變化對蝶板的影響分析 23-03-11
· 氣動調節閥的安裝與調試 21-01-13
· 上兆閥門教您怎么樣采購閥門必知的八個技術要求 17-06-20
· 緊急切斷閥為什么在化工行業上那么青睞 24-10-17
· 液動式抽氣止回閥的特點及技術要求 13-06-01
· DMZ673W氣動不銹鋼暗桿刀閘閥 21-07-30
· 安全閥的選用 12-09-06
· 氣動閥和電動閥的區別特征 22-03-24
· YJ41F-16P-50抗生素截止閥 18-10-17
· QDQ421F活塞式液氨緊急切斷閥 22-07-21