F43X手動扇形盲板閥詳細資料: 一、扇形盲板閥產品概述:
本系列扇形盲板閥又稱眼鏡閥、翻板閥、扇形閥,系GB6222《工業企業煤氣安全規程》要求的可靠切斷氣體介質的設備。廣泛應用于工礦企業、市政、環保等行業的氣體介質管理系統中,尤其適用于有害、有毒、易燃氣體的絕對切斷。亦適宜做管道終端的盲板,以縮短檢修時間或方便連接新的管路。
該系列扇形盲板閥與其他在管路中做絕對切斷的閥門設備相比,具有結構新穎、重量輕、體積小、操作方便、動作迅速、切斷氣體性能絕對可靠的特點。
二、扇形盲板閥工作原理:
F43X手動扇形盲板閥由左閥體、右閥體、中閥體、連接螺桿(三根)組成。用扳手旋轉連接螺桿,使左右閥體完成夾緊和松開動作,利用閘板上盲板和通孔板的位置變換達到啟閉目的。本閥具有結構簡單,重量輕,性能可靠,操作方便等特點。本閥為短結構系列,橡膠密封圈分別安裝在左、右閥體上。
三、扇形盲板閥主要性能指標:
公稱壓力MPa | 0.25 | 0.15 | 0.10 | 0.05 |
密封試驗壓力MPa | 0.275 | 0.165 | 0.11 | 0.055 |
強度試驗壓力MPa | 0.40 | 0.225 | 0.15 | 0.075 |
適用溫度℃ | 丁腈橡膠 | 硅橡膠 | 氟橡膠 |
<120 | <250 | <300 |
適用介質 | 煤氣等有毒、有害、易燃氣體 |
采用標準 | 連接法蘭尺寸符合JB/T81-94標準,檢測方法符合GB/T13927-92標準 |
主要零部件材料 | 閥體、閘板為碳鋼;連接軸、伸縮器為碳鋼或不銹鋼;密封圈為橡膠 |
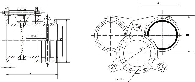
四、扇形盲板閥主要外形連接尺寸: 單位:mm
DN | D | D1 | b | n-φd | 短系列 L |
100 | 210 | 170 | 12 | 4-φ18 | 210 |
150 | 265 | 225 | 14 | 8-φ18 | 210 |
200 | 320 | 280 | 14 | 8-φ18 | 230 |
250 | 375 | 335 | 14 | 12-φ18 | 250 |
300 | 440 | 395 | 16 | 12-φ22 | 270 |
350 | 490 | 445 | 16 | 12-φ22 | 290 |
400 | 540 | 495 | 16 | 16-φ22 | 310 |
450 | 595 | 550 | 20 | 16-φ22 | 330 |
500 | 645 | 600 | 20 | 20-φ22 | 350 |
600 | 755 | 705 | 20 | 20-φ26 | 370 |
700 | 860 | 810 | 20 | 24-φ26 | 390 |
800 | 975 | 920 | 22 | 24-φ30 | 410 |
900 | 1075 | 1020 | 22 | 24-φ30 | 430 |
1000 | 1175 | 1120 | 22 | 28-φ30 | 450 |
1200 | 1375 | 1320 | 22 | 32-φ30 | 470 |
1400 | 1575 | 1520 | 26 | 36-φ30 | 490 |
1500 | 1675 | 1620 | 26 | 36-φ30 | 510 |
1600 | 1790 | 1730 | 26 | 40-φ30 | 530 |
1800 | 1990 | 1930 | 26 | 44-φ30 | 550 |
2000 | 2190 | 2130 | 26 | 48-φ30 | 570 |

五、扇形盲板閥訂貨須知:
1、①產品名稱與型號②扇形盲板閥口徑③是否帶附件以便我們的為您正確選型。
2、若已經由設計單位選定的扇形盲板閥型號,請按扇形盲板閥型號直接向我司銷售部訂購。
3、當使用的場合非常重要或環境比較復雜時,請您盡量提供設計圖紙和詳細參數。
上兆閥門其他產品:
閘 閥 截止閥 球 閥 蝶 閥 緊急切斷閥 電磁閥 水力控制閥 止回閥 刀型閘閥 旋塞閥 過濾器 減壓閥 疏水閥 隔膜閥 調節閥 阻火器 呼吸閥 燃氣閥門 冶金閥門