30D02自力式(閥前)壓力控制閥,由控制閥門、執行器和一個設定壓力的彈簧組成。適用于非腐蝕性的液體、氣體和蒸汽,在系統管道中起閥前壓力控制的作用,當閥前壓力升高時,控制閥開啟。
控制閥參數說明:
閥內件特點:
1、內置波紋管,具有壓力平衡結構,靈敏度高
2、結構緊湊,性能可靠,免于維護
3、采用標準模塊化設計
4、通過組合件,可以進行多項組合控制
閥體類型: 直通式
閥蓋形式: 標準型
散熱型
流量特性: 快開
口徑范圍: DN15-300(1/2”-12”)
壓力等級: PN1.6、4.0Mpa(ANSI 150、300LB)
泄漏等級: ASME B16.104 Ⅴ(軟密封)
ASME B16.104 Ⅳ(硬密封)
管道連接方式: 法蘭式
設定值偏差: ±8%
適用溫度范圍: -30° ~ 350°
執行機構類型: 薄膜式執行機構(自力式)
活塞式執行機構(自力式)
| 技術參數 |
| 公稱通徑 | DN15、20、25、32、40、50、65、80、100、125、200、250mm |
| 公稱壓力 | PN1.6、4.0MPa |
| 法蘭標準 | ANSl、JIS、DIN、GB、JB(特殊可按用戶提供) |
| 閥體材料 | 鑄鐵【HT200)、鑄鋼(ZG230-450)、鑄不銹鋼(ZGICrl18Ni9Ti、ZGICr18Ni12Mo2Ti) |
| 閥芯材料 | 硬密封:不銹鋼 (1Cr18ni9Ti、1Cr18Ni12MoTi) |
| 軟密封:不銹鋼鑲嵌橡膠圈 |
| 壓力平衡 | 不銹鋼波紋管( DN15-125)、平衡膜片( DN150-250) |
| 執行器 |
| 有效面積(cm2) | 32 | 80 | 250 | 630 |
| 壓力設定范圍(MPa) | 1.0-1.6 | 0.1-0.5 | 0.015-0.25 | 0.005-0.035 |
| 0.3-112 | 0.05-0.25 | 0.01-0.06 |
| 保證壓力閥正常工作的最小壓差 P | ≥0.05 | ≥ 0.04 | ≥ 0.01 | ≥0.005 |
| 允許上下膜室之聞最大壓差(MPa) | 2.0 | 1.25 | 0.4 | 0.15 |
| 材料 | 膜蓋:鋼板鍍鋅 膜片:EPDM或FKM夾纖維 |
| 控制管線、接頭 | 銅管或鋼管 10X1 (mm) 卡套式接頭:R1/4" |
| 注 :該有效面積所對應的壓力設定范圍不適用于DN150-250 |
| 性能 |
| 設定值偏差 | ±8% |
| 允許泄漏量(在規定實驗條件下) | 硬密封 | 4x0.01%閥額定容量 |
| 軟密封 | DN15-50 | DN65-125 | DN150-250 |
| ≥0.05 | 10氣泡/min | 20氣泡/min | 40氣泡/min |
| 允許工作溫度 |
| 公稱通徑 |
| 15-125mm | 150-250mm |
| 密封型式 | 硬密封 | ≤150℃ | ≤140℃ |
| 冷卻罐≤200℃ | 冷卻罐和加長≤200℃ |
| 冷卻罐和散熱≤200℃ | 冷卻罐和加長≤200℃ |
| 軟密封 | ≤150℃ |
| 注※表示該閥允許工作溫度,僅當介質為蒸汽式有效.且耐溫之至350攝氏度需選用PN40的閥體 |
| 額定流量系數、噪音衡量系數、允許壓差 |
| 公稱通徑DN(mm) |
| 15 | 20 | 25 | 32 | 40 | 50 | 65 | 80 | 100 | 125 | 150 | 200 | 250 |
| 額定流量系數KvS |
| 4 | 6.3 | 8 | 16 | 20 | 32 | 50 | 80 | 125 | 160 | 280 | 320 | 450 |
| 噪音衡量系數Z值 |
| 0.6 | 0.6 | 0.6 | 0.55 | 0.55 | 0.5 | 0.5 | 0.45 | 0.4 | 0.35 | 0.3 | 0.2 | 0.2 |
| 允許壓差( Mpa) | PN16 | 1.6 | 1.5 | 1.2 | 1.0 |
| PN40 | 2.0 |
注※表示該閥允許工作溫度,僅當介質為蒸汽式有效.且耐溫之至350攝氏度需選用PN40的閥體
|
| 結構簡圖 |
| 1 | 2 | 3 | 4 | 5 | 6 | 7 | 8 | 9 | 10 | 11 | 12 |
| 閥體 | 閥座 | 閥軸 | 閥蓋 | 膜蓋 | 膜片 | 彈簧 | 調節螺母 | 導壓管 | 波紋管 | 平衡膜片 | 充注閥 |
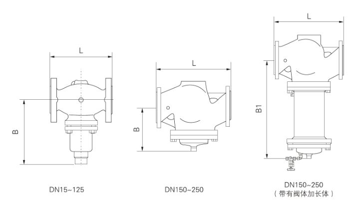
安裝尺寸:

| 控制閥尺寸及重量(見圖1-3) |
| DN(mm) | 15 | 20 | 25 | 32 | 40 | 50 | 65 | 80 | 100 | 125 | 150 | 200 | 250 |
| L(mm) | 130 | 150 | 160 | 180 | 200 | 230 | 290 | 310 | 350 | 400 | 480 | 600 | 730 |
| B(mm) | 212 | 212 | 238 | 238 | 240 | 240 | 275 | 275 | 380 | 380 | 326 | 354 | 404 |
| 重量(KG) | - | - | - | - | - | - | -- | - | - | - | 630 | 855 | 1205 |
| B1(mm) | - | - | - | - | - | - | - | - | - | - | 140 | 210 | 300 |
| 執行器尺寸及重量(見圖4) |
| 有效面積(cm2) | 32 | 80 | 250 | 630 |
| R(mm) | 172 | 172 | 263 | 380 |
| H(mm) | 435 | 430 | 470 | 520 |
| 重量(KG) | 7.5 | 7.5 | 13 | 28 |
型號編制說明
| SZ |
| -300 |
| -ZY |
| -D01 |
| -C1 |
| -15 |
| >1.上兆品牌 |
| >2.系列型號 |
| >3.控制形式 |
| >4.作用方式 |
| >5.連接方式 |
| >6.公稱通徑 |
|
|
|
|
|
|
|
|
|
|
|
| -16 |
| -P4 |
| -Y |
| -W1 |
| -B1 |
| -K |
| >7.公稱壓力 |
| >8.閥體材質 |
| >9.密封材質 |
| >10.介質溫度 |
| >11.附件選項 |
| >12.流量特性 |
| 1代號 |
|
| 4代號 | 作用方式 |
| 5代號 | 連接方式 |
| SZ | 上兆品牌 |
| D01 | 閥后穩定 |
| C1 | 內螺紋 |
|
|
| D02 | 閥前泄壓 |
| C2 | 法蘭 |
|
|
| D03 | 差壓上升閥關 |
| ...... | ...... |
|
| D04 | 差壓上升閥開 |
|
|
|
| 2代號 | 系列型號 |
| D12 | 指揮器閥后 |
|
|
|
| 300 | 自力式調節閥 |
| D13 | 指揮器閥前 |
| 其他連接方式可根據客戶要求設計制作 |
|
|
| L01 | 流量調節 |
|
|
|
|
|
| T01 | 溫度(加熱型) |
| 6代號 | 公稱通徑 |
|
|
| T02 | 溫度(冷卻型) |
| 15 | 15mm |
| 3代號 | 控制形式 |
| W01 | 微壓型 |
| 20 | 20mm |
| ZY | 自力式壓力 |
| W02 | 雙膜片微壓型 |
| 25 | 25mm |
| ZC | 自力式壓差 |
| P/N/M | 壓力調節 |
| 32 | 32mm |
| ZL | 自力式流量 |
| ...... | ...... |
| 40 | 40mm |
| ZW | 自力式溫度 |
|
|
|
| 50 | 50mm |
| ZZ | 自力式組合 |
|
|
|
| ...... | ...... |
|
|
|
|
|
|
|
|
|
|
|
|
|
|
|
|
|
|
|
|
|
|
|
|
| 7代號 | 公稱壓力 |
| 9代號 | 密封形式 |
| 11代號 | 附件選項 |
| 16 | 16bar |
| Y | 硬密封 |
| B1 | 指揮器 |
| 40 | 40bar |
| R | 軟密封 |
| B2 | 冷卻罐 |
| 64 | 64bar |
|
|
|
| B3 | 散熱片 |
| ...... | ...... |
|
|
|
| B4 | 冷卻罐+散熱片 |
|
|
|
|
|
| B5 | 加長件 |
|
|
|
|
|
| B6 | 組合件 |
| 其他特殊壓力可根據客戶要求制作 |
|
|
|
| B7 | 行程顯示器 |
| 8代號 | 閥體材質 |
|
|
|
| B8 | 手操機構 |
| Q | 鑄鐵HT200 |
| 10代號 | 介質溫度 |
| ...... | ...... |
| C | 鑄鋼WCB |
| W1 | ≤150℃ |
|
|
|
| P4 | 不銹鋼304 |
| W2 | ≤200℃ |
|
|
|
| P6 | 不銹鋼316L |
| W3 | ≤350℃* |
|
|
|
| ...... | ....... |
|
|
|
| 12代號 | 流量特性 |
|
|
|
|
|
| K | 快開 |
|
|
|
|
|
|
|
|
|
|
|
|
|
|
|
|
|
|
|
|
|
|
|
|
| 其它特殊閥體材質可定做 |
| *表示僅當介質為蒸汽有效且閥體需選用PN40 |
|