D643H氣動硬密封法蘭蝶閥連接尺寸和工作原理
D643H氣動硬密封法蘭蝶閥有閥體、蝶板、閥桿、氣動執行器等主要部件組成,氣動蝶閥的執行器分為單作用和雙作用區分,單作用氣動法蘭蝶閥主要為氣開或氣關方式,單作用氣動蝶閥內置彈簧,氣開式單作用蝶閥當氣源打開時閥門打開,斷掉氣源閥門自動關閉,氣關式反之。雙作用氣動蝶閥通過電磁閥來控制氣開、氣關,D643H氣動硬密封蝶閥也可安裝定位器用于閥門流量的調節通過4~20ma來控制閥門的開啟度。主要用于蒸汽、煤氣、液化氣等調節作用。
D643H 氣動法蘭硬密封蝶閥系列產品,是長壽命、節能型蝶閥。其結構采用三維偏心原理設計,彈性密封和硬軟多層密封兼容的加工新工藝,使蝶閥在運行工作時,減少其扭矩力,達到省力,節能之功能。從而確保整體的抗腐蝕、耐高溫、抗靡損的可靠性。適用于食品、醫藥、石油化工、電廠、鋼廠、工業環保水處理及高層建 筑、供排水管道上作調節流量和截斷流體最佳裝置。 二、D643H 氣動法蘭硬密封蝶閥--特點 1、結構獨特、型小輕便、操作靈活、省力、方便;
2、密封可靠,可達到氣密封無泄漏; 3、流量特性趨于直線調節性有最佳;
4、采用三偏心原理,使密封面近似零靡損延長了閥門的使用壽命;
5、應用范圍廣。如:可用于水、蒸氣、油品、空氣、煤氣等介質; 6、適用不同溫度及6.4MPa以下的壓力等級,耐腐蝕等各種介質管線。
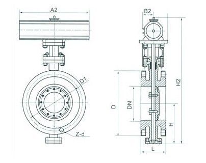
三、D643H 氣動法蘭硬密封蝶閥--主要連接及外形尺寸 公稱通徑 DN | 結構長度L | 外形尺寸(參考值) | 連接(標準值) | 參考 重量Dt343H | | H | Dt343H | PN0.6MPa | PN1.0MPa | | mm | inch | 短 | 長 | H1 | A1 | B1 | D | D1 | z-d | D | D1 | z-d | | 50 | 2 | 108 | 150 | 112 | 350 | 180 | 200 | 140 | 110 | 4-14 | 165 | 125 | 4-18 | 17 | | 65 | 5/2 | 112 | 170 | 115 | 370 | 180 | 200 | 160 | 130 | 4-14 | 185 | 145 | 4-18 | 20 | | 80 | 3 | 114 | 180 | 120 | 380 | 180 | 200 | 190 | 150 | 4-18 | 200 | 160 | 8-18 | 23 | | 100 | 4 | 127 | 190 | 138 | 420 | 180 | 200 | 210 | 170 | 4-18 | 220 | 180 | 8-18 | 25 | | 125 | 5 | 140 | 200 | 164 | 460 | 180 | 200 | 240 | 200 | 8-18 | 250 | 210 | 8-18 | 40 | | 150 | 6 | 140 | 210 | 175 | 555 | 270 | 280 | 165 | 225 | 8-18 | 285 | 240 | 8-22 | 47 | | 200 | 8 | 152 | 230 | 208 | 605 | 270 | 280 | 320 | 280 | 8-18 | 340 | 295 | 8-22 | 60 | | 250 | 10 | 165 | 250 | 243 | 680 | 270 | 280 | 375 | 335 | 12-18 | 395 | 350 | 12-22 | 95 | | 300 | 12 | 178 | 270 | 283 | 800 | 380 | 420 | 440 | 395 | 12-22 | 445 | 400 | 12-22 | 124 | | 350 | 14 | 190 | 290 | 310 | 835 | 380 | 420 | 490 | 445 | 12-22 | 505 | 460 | 16-22 | 181 | | 400 | 16 | 216 | 310 | 340 | 915 | 450 | 470 | 540 | 495 | 16-22 | 565 | 515 | 16-26 | 260 | | 450 | 18 | 222 | 330 | 380 | 960 | 480 | 490 | 595 | 550 | 16-22 | 615 | 565 | 20-26 | 338 | | 500 | 20 | 229 | 350 | 410 | 1020 | 480 | 490 | 645 | 600 | 20-22 | 670 | 620 | 20-26 | 360 | | 600 | 24 | 267 | 390 | 470 | 1225 | 480 | 660 | 755 | 705 | 20-26 | 780 | 725 | 20-30 | 540 | | 700 | 28 | 292 | 430 | 550 | 1355 | 640 | 660 | 860 | 810 | 24-26 | 895 | 840 | 24-30 | 580 | | 800 | 32 | 318 | 470 | 640 | 1470 | 640 | 660 | 975 | 920 | 24-30 | 1015 | 950 | 24-33 | 845 | | 900 | 36 | 330 | 510 | 710 | 1545 | 750 | 860 | 1075 | 1020 | 24-30 | 1115 | 1050 | 28-33 | 1050 | | 1000 | 40 | 410 | 550 | 770 | 1795 | 850 | 860 | 1175 | 1120 | 28-30 | 1230 | 1160 | 28-36 | 1500 | | 1200 | 48 | 470 | 630 | 890 | 1965 | 850 | 900 | 1405 | 1340 | 32-33 | 1455 | 1380 | 32-39 | 2000 |
 
|