

| 通風蝶閥D041W特點及參數 發布時間:21-07-22 | ||||||||||||||||||||||||||||||||||||||||||||||||||||||||||||||||||||||||||||||||||||||||||||||||||||||||||||||||||||||||||||||||||||||||||||||||||||||||||||||||||||||||||||||||||||||||||||||||||||||||||||||||||||||||||||||||||||
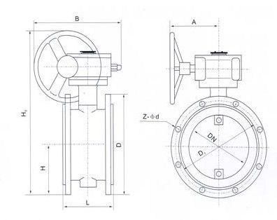
通風蝶閥D041W特點及參數 無頭通風蝶閥D041W無頭煙塵氣蝶閥D641W氣動通風蝶閥/D941W電動通風蝶閥/煙塵氣管道蝶閥/不銹鋼通風蝶閥/通風調節蝶閥/風量調節蝶閥可直接安裝電動氣動裝置,通風蝶閥是一種非密閉型蝶閥,采用中線式碟板與短結構鋼板焊接的新型結構形式設計制造的,具有結構緊湊、便于安裝、流阻小、流通量大,避免高溫膨脹的影響,操作輕便。廣泛適用于建材、冶金、礦山、電力等生產過程中的含塵氣體、通風凈化裝置、煙氣管道等管道上,用以連通、啟閉或調節介質。 通風不銹鋼蝶閥采用與閥體相同材料加工成密封圈,其適用溫度隨閥體選材而定,公稱壓力≤1.0MPa,一般適用于工業、冶金、環保等管道作通風調節介質流量之用。 ![]() 應用范圍: 通風蝶閥適用溫度隨閥體選材而定,公稱壓力≤1.0MPa,一般適用于工業、冶金、環保、化工、建材、電站、玻璃等行業中的通風、環保工程的含塵冷風或熱風氣體管道中,作為氣體介質調節流量或切斷的管道控制裝置。通風蝶閥在管道中一般應當水平安裝。 結構特點: 1、通風蝶閥設計新穎、合理,結構獨特,重量輕,啟閉迅速。 2、蝶閥操力矩小,操作方便,省力靈巧。 3、采用適應的材料以滿足低、中、高不同介質溫度其及腐蝕性介質等。 4、內無連桿、螺栓等、工作可靠、使用壽命長,不受介質流向影響 標準規范: 設計制造標準:GB/T 12238-1989;JB/T8692-1998 結構長度標準:GB/T 12221-2005 連接法蘭標準:GB/T 9115.1 壓力溫度等級:GB/T 12224-2005 試驗檢驗標準:GB/T 13927-2008 ![]() 主要技術參數:
|
||||||||||||||||||||||||||||||||||||||||||||||||||||||||||||||||||||||||||||||||||||||||||||||||||||||||||||||||||||||||||||||||||||||||||||||||||||||||||||||||||||||||||||||||||||||||||||||||||||||||||||||||||||||||||||||||||||
|
||
|
||
|
||
|
||
|
||
|
||
|
||
|
||
|
||
|
||
|
||
|
||
|
||
|
||
|
||