銷售熱線:021-66105556
您現在的位置:網站首頁 -> 技術文章 ->
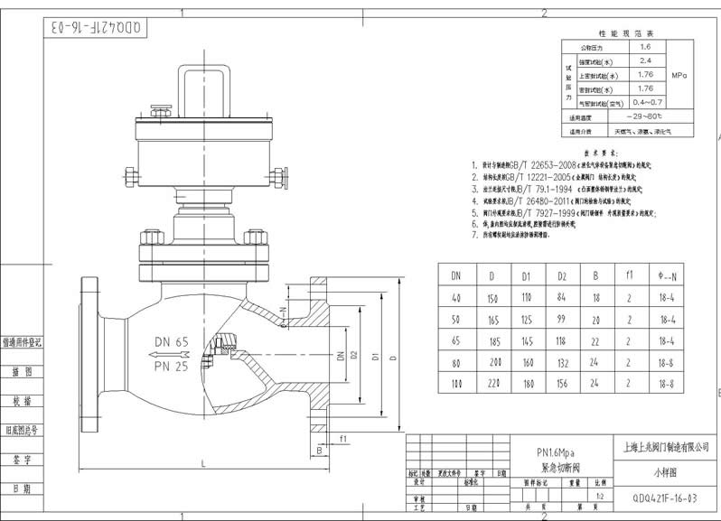
緊急切斷閥小樣圖   發布時間:21-03-16

氣動緊急切斷閥小樣圖

氣動緊急切斷閥用于液化石油氣、天然氣、液氨等主要管道上起到安全切斷作用,使用壓力1.6Mpa~4.0Mpa。使用溫度-20℃~80℃。氣動緊急切斷閥氣缸配有安全熔斷裝置,在達到一定的溫度時候閥門易熔塞自行熔化達到安全切斷。詳細請向上兆閥門銷售部咨詢或索函。





· 閘閥與截止閥怎么選型 19-06-23
· 閥門密封材質等級及選用 17-06-06
· 閥門知識科普 20-01-08
· 管道球閥分類及用途 23-03-17
· Q41TC耐磨陶瓷球閥 20-07-26
· 氣動切斷閥的優勢解析 24-10-25
· 液氨緊急切斷閥選型 17-07-14
· 蒸汽減壓閥為什么不穩定 21-08-23
· 氨用電動切斷閥 22-04-14
· 液化石油氣緊急切斷閥 18-05-05
· Q641F-16P氣動不銹鋼切斷閥 22-08-16
· 氣動切斷閥的應用領域 23-09-21
· 液化氣緊急切斷閥的工作原理 18-11-05
· Q41F-10S_PVDF材質法蘭球閥 25-09-17
· 液氨緊急切斷閥的安裝位置 19-06-21