

| DJ661F-40P_氣動不銹鋼低溫切斷閥圖紙 發布時間:21-01-04 |
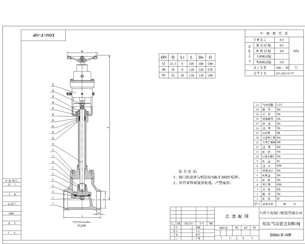
DJ661F-40P_氣動不銹鋼低溫切斷閥產品說明書資料介紹低溫緊急切斷閥DJ661F-PN16-40P適用于低溫貯槽、槽車和罐車上切斷和流通介質,并在出現故障時能及時快速切斷介質。這種新型閥門具有體積小、重量輕、密封可靠、開關迅速、啟閉靈活等優點,廣泛用于LNG、LO2、LN2、LAr、LC2H4及其它低溫介質,具有防火、防靜電、防爆功能。設計特點及工作原理該閥門為一低溫切斷閥加上帶彈簧復位的氣動執行機構,在氣缸部位加裝安全附件(易熔塞)。其特點為:(1)閥本體部分利用低溫切斷閥的結構,在密封面上作必要改進,使其更適用于緊急切斷閥的使用要求;主要技術參數(2)執行器部分為氣缸活塞機構,動作平穩可靠;(3)閥門的復位力來自一高品質的螺旋壓縮彈簧;(4)閥門上密封采用一新型的填料結構另加內外塑料O形圈,能夠達到零外漏。(5)另外,若無法正常向閥門提供驅動氣源時,可用閥門的手動裝置啟閉閥門,不致影響整個系統的正常工作。工作原理在正常情況下,利用活塞上部彈簧的壓力,推動活塞向下運動,繼而帶動。
DJ661F-40P_氣動不銹鋼低溫切斷閥圖紙:
|
|
||
|
||
|
||
|
||
|
||
|
||
|
||
|
||
|
||
|
||
|
||
|
||
|
||
|
||
|
||