

| 閥門的法蘭標準及法蘭面連接方式 發布時間:17-10-11 |
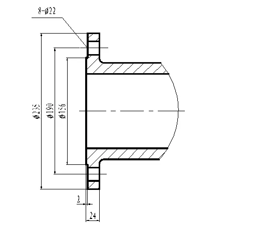
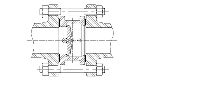
第一,閥門得和管道連接好;第二,閥門要驅動起來。這篇文章,詳細的解答了4大閥門連接形式,及7種閥門驅動方法。要讓閥門“動起來”,這些必須得了解! 閥門連接形式 閥門與管道的連接形式主要有法蘭連接、焊接連接、對夾連接、螺紋連接、卡箍連接、卡套連接等方式。 1.法蘭連接 ① 定義 法蘭連接:法蘭連接是指由法蘭、墊片及螺栓三者相互連接作為一組組合密封結構的可拆連接。管道法蘭系指管道裝置中配管用的法蘭,用在設備上系指設備的進出口法蘭。法蘭連接使用方便,能夠承受較大的壓力。 ![]() ② 法蘭連接適用范圍 法蘭連接可適用于各種公稱尺寸、公稱壓力的閥門,但對使用溫度有一定的限制,在高溫工況時,由于法蘭的連接螺栓易產生蠕變現象而造成泄漏,一般情況下法蘭連接推薦在≤350℃溫度使用。 ③ 法蘭類型 法蘭的結構型式:整體法蘭(IF)、承插焊法蘭(SW)、螺紋法蘭(Th)、帶頸對焊法蘭(WN)、帶頸平焊法蘭(SO)、板式平焊法蘭(PL)、平焊環松套法蘭(PJ/RJ) 、對焊環松套法蘭(PJ/SE)、法蘭蓋(BL)等。 ④ 法蘭密封面形式 法蘭密封面主要是防止管道中介質向外泄漏,密封面形式主要有平面(FF)、突面(RF)、凹凸面(MF)、榫槽面(TG)、環連接面(RJ)等幾種。 平面法蘭連接形式一般適用于PN40及以下的閥門,突面法蘭、凹凸面法蘭、榫槽面法蘭連接形式一般適用于PN160及以下的閥門,環連接面法蘭連接形式一般適用于PN420及以下的高壓閥門。閥門與管道連接采用凹凸面(MF)連接時,一般情況下閥門的端法蘭采用凹面形式。閥門與管道連接采用榫槽面(TG)連接時,一般情況下閥門的端法蘭采用槽面(G)形式。 ![]() ![]() ⑤ 法蘭標準 國家標準法蘭(GB/T) GB/T 9112~GB/T 9124標準規定了鋼制管法蘭的類型、參數、尺寸數據以及技術條件 ,其中GB/T 9113.1~GB/T 9113.4為整體鋼制管法蘭的標準。 整體鋼制管法蘭可分為平面整體鋼制管法蘭、突面整體鋼制管法蘭、凹凸面整體鋼制管法蘭、榫槽面整體鋼制管法蘭、環連接面整體鋼制管法蘭。 GB/T 13402: 大直徑碳鋼管法蘭 中國化工行業標準 HG 20592~HG 20635,其中HG 20592~HG 20614屬歐洲體系,HG 20615~HG 20635屬美洲體系。 a、鋼管外徑分以下兩種: 國際通用系列(A系列)——英制管 國內沿用系列(B系列)——公制管 b、螺紋法蘭采用的管螺紋分為三種種情況: 采用按GB 7306規定的55°圓錐內螺紋(Rc) 采用按GB 7306規定的55°圓柱內螺紋(Rp) 采用按GB/T 12716規定的60°圓錐管螺紋(NPT) c、法蘭標記 HG 20592 和HG 20615對歐洲體系與美洲體系的法蘭做出了標記規定。 中國機械行業標準 JB/T 79.1~JB/T 79.4 JB/T 81 JB/T 82.1~JB/T 82.4 JB/T 83~JB/T 86 中國石油化工行業標準 SH 3406—1996 美國標準 ASME B 16.5—2003 ASME B 16.47—2003 日本標準 JIS B 2210~JIS B 2216 德國標準 DIN 2531~DIN 2535 灰鑄鐵法蘭 DIN 2543~DIN 2551 鑄鋼法蘭 英國標準 BS 4504 法國標準 NF E29-211 鋼制法蘭 ⑥ 法蘭尺寸查詢示例 如閥門連接法蘭采用標準HG/T 20592的整體鋼制管法蘭,公稱壓力PN25,公稱尺寸DN100,密封面為RF形式,查標準HG/T 20592得出法蘭尺寸如下: ![]() ⑦ 注意事項 法蘭螺栓支承面及螺栓孔的位置 GB/T 9124中規定:法蘭的螺栓支承面應進行機加工或锪孔,锪孔尺寸按GB/T 152.4的有關規定,加工后的法蘭應保證符合表3規定的極限偏差要求。所有螺栓孔應均等地分布在螺栓孔中心圓直徑上,對于整體式法蘭,其螺栓孔應與管道主軸線或鉛垂線跨中布置。 法蘭密封面的密紋水線 HG 20603中規定: ≤PN40的突面法蘭采用非金屬平墊片、聚四氟乙烯包覆墊和柔性石墨復合墊時,可車制密水紋線,密封面代號為RF(A),密封面粗糙度為Ra6.3~12.5,水線的深度為0.05mm,水線節距為0.8mm,加工刀具圓角為1.6mm。 GB/T 9124中規定: 當使用非金屬軟墊片時,突面法蘭密封面上允許加工水線,但應在訂貨合同中注明。突面法蘭的密封面允許按f×45°倒角。密封面粗糙度為Ra3.2~12.5,水線的深度為0.05mm,水線節距為0.8mm,加工刀具圓角為1.6mm。 ASME B 16.5標準中6.4.5.3中規定: 應提供同心圓式或螺旋式的細齒表面,其綜合表面平均粗糙度為Ra3.2~6.3,切削刀具應為1.5mm(0.06in)或更大關徑,每mm的細齒數為1.8~2.2個(每英寸的細齒數為45~55)。 2.焊接連接 閥門焊接連接:焊接連接是指閥門閥體帶有焊接坡口,通過焊接方式與管道系統相連的一種連接形式。 GB/T 12224、API600、ASME B 16.34等標準對焊接坡口做出了規定,其焊接坡口形式如下: ![]() 閥門與管道的焊接連接分為對焊連接(BW)與承插焊連接(SW),承插焊端應符合JB/T 1751的規定。對焊連接(BW)可適用于各種尺寸、各種壓力以及高溫的工況,承插焊連接(SW)一般適用于≤DN50的閥門。 ![]() 3.對夾連接 對夾連接指閥門兩側的管道法蘭,通過螺栓夾緊使閥門與管道系統相邊的一種連接方式。示圖如下: ![]() 4.螺紋連接與卡箍連接 螺紋連接指閥體上帶有內螺紋或外螺紋,通過螺紋與管道系統相連的一種連接方式。 卡箍連接是指閥體上帶有夾口,通過卡箍與管道系統相連的一種連接方式。 ![]() 閥門驅動方式 閥門驅動方式主要有手動、蝸桿傳動、齒輪傳動(包括錐齒輪和正齒輪)、電動、氣動、液動、電磁傳動、電—液動、氣—液動、電磁—液動等方式。 1.手動 借助手輪、手柄、杠桿等由人力來操縱的閥門。 2.蝸桿傳動裝置(Worm gear actuator) 用蝸輪蝸桿機構啟閉或調節閥門的驅動裝置。 ![]() 3.圓錐齒輪傳動裝置(Conical gear actuator) 用圓錐齒輪機構啟閉或調節閥門的驅動裝置,亦稱傘齒輪傳動。 ![]() 4.圓柱齒輪傳動裝置(Conical gear actuator) 用圓柱齒輪機構啟閉或調節閥門的驅動裝置,亦稱正齒輪傳動。 ![]() 5.電動裝置(Electric actuator) 用電力啟閉或調節閥門的驅動裝置,亦稱電動執行機構。 閥門電動裝置是實現閥門程控、自控和遙控不可缺少的設備,其運動過程可由行程、轉矩或軸向推力的大小來控制。 操作力矩是選擇閥門電動裝置的最主要參數,電動裝置輸出力矩應為閥門操作最大力矩的1.2~1.5倍。 ![]() ![]() 6.氣動裝置(Pneumatic actuator) 用氣力啟閉或調節閥門的驅動裝置,亦稱氣動執行機構。 ![]() 7.液動裝置(Hydrauic actuator) 用液壓力啟閉或調節閥門的驅動裝置,亦稱液動執行機構。 ![]() |
|
||
|
||
|
||
|
||
|
||
|
||
|
||
|
||
|
||
|
||
|
||
|
||
|
||
|
||
|
||