

| D343H多層次硬密封蝶閥原理 發布時間:17-08-10 |
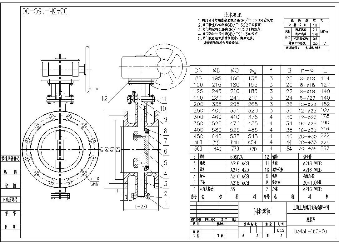
D343H多層次硬密封蝶閥原理 ![]() 多層次硬密封蝶閥廣泛用于水、蒸氣、油品、空氣、煤氣等介質,適用于食品、醫藥、石油化工、電廠、鋼廠、工業環保水處理及高層建筑、供排水管道上作調節流量和截斷流體裝置。 1、多層次硬密封蝶閥是采用軟硬層金屬片層疊組成,通過高精度機械加工成形,嵌裝在蝶板上與閥座吻合,具有金屬密封和彈性密封的雙重優點,無論在低溫和高溫情況下,均具有優良的密封性能。 2、采用三維偏心結構,閥座與蝶板幾乎無摩擦,具有越關越緊的密封功能。 3、結構獨特、操作靈活、省力、方便、不受介質壓力的高、低影響,密封性能可靠,使用壽命長。 4、蝶閥設有密封調節裝置,長期使用后若密封性能下降,可調節蝶板密封圈向閥座靠近即可恢復原有密封性能,大大地提高了使用壽命。 多層次硬密封蝶閥圖紙: ![]() |
|
||
|
||
|
||
|
||
|
||
|
||
|
||
|
||
|
||
|
||
|
||
|
||
|
||
|
||
|
||