

| 《PQ947H型電動偏心半球閥說明書》 發布時間:17-07-09 | ||||||||||||||||||||||||||||||||||||||||||||||||||||||||||||||||||||||||||||||||
《PQ947H型電動偏心半球閥說明書》 一、工作原理: PBQ947H型電動偏心半球閥借助驅動機構帶動閥軸轉動90°運動。此時,固定在閥軸上的偏心閥瓣(半球)同步旋轉90°。順時針旋轉,偏心閥瓣進入閥座,在偏心作用下形成楔形機構。閥瓣逐漸壓緊閥座,實現密封,關閉閥門。逆時針旋轉時,偏心閥瓣則迅速脫離閥座,旋轉90°時,閥門為全開狀態。 二、適用范圍: 該系列閥門適用于石油、化工、冶金、電力、輕紡、造紙、水利等各部門中低壓管路系統,同時還適用于污水處理、蒸汽、空氣、煤氣、砂漿、礦漿等弱腐蝕流體介質的輸送和截流、節流等。 三、壓力溫度額定值(GB/T 9124-2000) WCB/A105-壓力溫度額定值:
CF8/304-壓力溫度額定值:
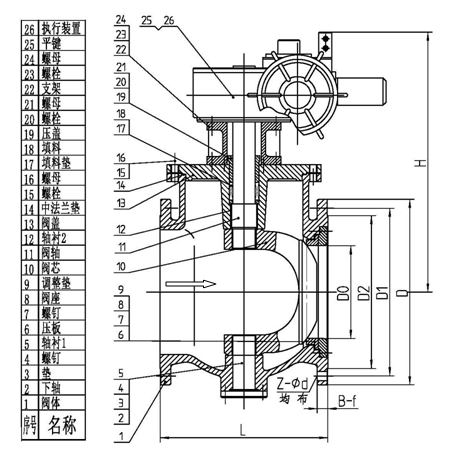
四、PQ947H型結構示意圖
五、設計參照標準 1、 設計與制造標準:GB/T 26146-2010、CJ/T 283-2008 2、 壓力溫度額定值標準:GB/T 12224-2005 3、 法蘭連接尺寸標準:GB/T 9113.1-2000 4、 結構長度:GB/T 26146-2010或客戶要求 5、 壓力試驗:GB/T 13927-2008 六、保管、安裝、使用和維護保養 1、閥門存放時,要放在通風干燥之處,不允許放在露天和灰塵較多的場合,要保持閥門的清潔。使閥門處于微開啟位置,兩端口必須用專用的悶蓋堵嚴,防止灰塵和雜物進入密封副。 2、安裝前,核準閥門的各項技術參數:通徑、壓力、介質、工 作溫度等,是否符合要求,并清除長期存放或在運輸過程中的灰塵及雜物,檢查限位螺釘是否上緊(出廠前已調試好)。 3、安裝時,必須校正管路法蘭端面的平行度,兩端管路中心線是否同軸。清除管路中的雜物和污垢,按照閥門上的介質流通方向安裝于管路上。一般情況下可安裝于管路的任意位置。對于料漿閥,必須采用水平安裝,這樣有利于閥門各轉動部位的潤滑,減少結疤對閥門使用中的影響。 上兆閥門其他產品: 閘 閥 截止閥 球 閥 蝶 閥 緊急切斷閥 電磁閥 水力控制閥 止回閥 刀型閘閥 旋塞閥 過濾器 減壓閥 疏水閥 隔膜閥 調節閥 阻火器 呼吸閥 燃氣閥門 冶金閥門 |
||||||||||||||||||||||||||||||||||||||||||||||||||||||||||||||||||||||||||||||||
|
||
|
||
|
||
|
||
|
||
|
||
|
||
|
||
|
||
|
||
|
||
|
||
|
||
|
||
|
||